LAMPE A LEDS DE LOUIS

 

Inventeur: Louis DEPAIX.

Texte & copie: Emmanuel LAROCHE.


Les composants

 

Introduction :

Cette lampe a été faite dans une vieille lampe Spirotechnique en PVC, toutefois il est possible, et même certainement avantageux, de réutiliser une lampe plus courte et donc moins encombrante (ressemblant à une Fa&Mi 3 leds par exemple).

Les dimensions minimales sont : 50mm de diamètre intérieur pour l'emplacement de 3 leds ; pour le corps il faut 46 mm mini de diamètre intérieur pour mettre 4 batteries rechargeables lithium ion. Ici nous avons fait une batterie en longueur nous avons un corps un peu plus étroit mais long. Un tube fermé de 50mm de diamètre intérieur irait très bien et permettrait de faire plus compact.

Cette lampe a été testée étanche à 61m. Elle offre une intensité lumineuse un peu plus faible qu'une très bonne lampe halogène de 50W (Fa & Mi par exemple) mais comparable à un phare HID de 10W.

Prix de revient : entre 100 et 150 euros.

Composants et où se les procurer:

1- Les LEDS et leurs accessoires:

LED avec support étoile
Support de l'optique de collimation
Lentille de collimation

Les LEDs utilisées sont des LEDs Seoul P4 utilisées en puissance 3W, elles sont donc alimentées par un courant de 1 ampère d'intensité. Ces LEDs sont montées sur un support en étoile semblable à celui des LEDs Luxeon, mais ont une intensité lumineuse supérieure à ces dernières : 240 lumens théorique en 3W (spec. fabriquant) contre 120 lumens pour les Luxeon III.

Avec ces LEDS il est nécessaire d'utiliser une optique (plus au moins directive) car sinon la LED rayonne à 180°. En plongée spéléo nous privilégions des faisceaux étroits : 6°. Mais 15° conviennent très bien aussi. Les faisceaux de 25° sont à éviter dans une eau chargée. Ces optiques se clipsent sur un support en plastique qui se fixe (avec un point de colle) sur l'étoile de la LED.

Voici où se procurer ces LEDS et leurs accessoires :

•  www.dealextreme.com ou www.dotlight.de ou ebay :

•  Supports hexagonaux des optiques : www.dotlight.de

•  Optiques : www.dotlight.de ou ebay :

 

Les 3 LEDs, en fait leurs supports hexagonaux, sont collées sur le radiateur avec de la colle thermique que l'on peut se procurer par exemple chez Radiospares. On voit sa couleur bleuté sur les photos.

Remarque : Si on a des difficultés à trouver de la colle thermique on peut aussi mettre de la pâte thermique (qui se trouve dans tout magasin d'électronique) au centre de l'étoile et coller les coins à l'époxy.

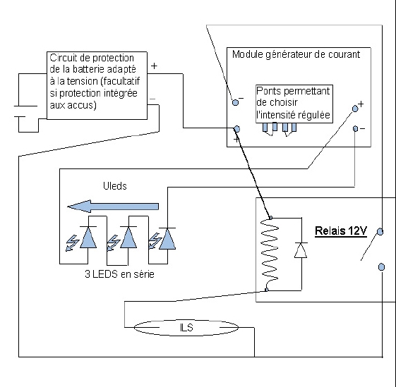
Le schéma électrique ci-joint synthétise la manière d'alimenter et de piloter les LEDS :

Compléments sur le relais

Pour identifier les bornes d'un relais (dans le cas d'un relais à 5 bornes):

  • Chercher la bobine interne avec un multimètre en ohmmètre.
  • Chercher les 2 autres bornes qui sont reliées (multimètre en testeur de continuité).
  • 1 borne est alors seule : c'est celle qui sera relié au point commun quand la bobine du relais sera alimentée.
  • Alimenter le relais avec une tension de 12 V (environ).
  • Chercher les 2 bornes qui sont alors reliées (multimètre en testeur de continuité) : le point commun et la borne précédemment isolée.

Sur les 5 bornes on ne va en utiliser que 4, celle qui est reliée au point commun en position repos peut être supprimée (ça fera un risque de moins de contact intempestif et de court-circuit potentiel). La couper à ras avec une pince.

Remarque : la diode à souder sur le relais sert à protéger le circuit électronique des courants induits par la bobine lorsqu'on cesse de l'alimenter. Cette diode doit être soudée en respectant les polarités du schéma (ne pas la mettre à l'envers sans quoi elle court-circuite la bobine).

2 – Alimentation électrique des LEDS

Contrairement à une lampe halogène on ne régule pas la tension d'alimentation d'une LED mais son intensité. Pour les LEDS il est possible d'alimenter avec des intensités différentes, par exemple pour le circuit choisi ici : 350 mA ou 750 mA (intensité de meilleur rendement lumineux par rapport à la consommation électrique) ou 1 A (intensité maximale d'utilisation). La tension est fonction de l'intensité (caractéristique de la LED): de l'ordre de 3,7V quand alimenté sous 1A.

Afin d'assurer l'alimentation avec une intensité fixe, il est nécessaire d'utiliser un régulateur de courant. Le régulateur doit être choisi de manière à ce que sa tension d'entrée soit compatible de la tension délivrée par la batterie et du nombre de LEDs alimentées : bien lire les caractéristiques du régulateur avant de l'acheter…

Voici par exemple le régulateur de courant utilisé ici:

http://cgi.ebay.fr/LED-driver-350mA-700mA-1000mA-with-dim-function_W0QQitemZ370050084713QQihZ024QQcategoryZ66954Q
QtcZphotoQQcmdZViewItemQQ_trksidZp1742.m153.l1262

Remarque: une simplification est possible.

Il est aussi possible d'alimenter les LEDS sans générateur de courant, en utilisant une résistance en série pour « adapter » la tension de la batterie à la tension des LEDS lorsqu'elles consomment le courant voulu (3.7V pour 1A). Dans notre exemple il faudrait passer de 14.8V à 11.1V.

L'inconvénient de ne pas utiliser de régulateur de courant est que la chute de tension de la batterie au fur et à mesure qu'elle s'épuise se traduira par une baisse d'intensité lumineuse. On arrivera alors à avoir une très bonne autonomie de plusieurs heures, mais les dernières heures se feront avec un pinceau de lumière… Les résistances induisent aussi des pertes de puissance (par effet Joule – comme pour notre régulateur). Sur notre lampe nous avons préféré avoir la même puissance lumineuse tout au long de la plongée. Pour minimiser les pertes de courant par effet Joule, nous avons intérêt à avoir une tension en entrée du régulateur proche de la tension de sortie. Alimenter 3 LEDS avec une batterie de 24V n'offrirait donc pas un rendement optimal…

3 – La batterie:

Attention, en fonction du circuit régulateur choisi, il s'avère important que la tension de la batterie soit juste supérieure à celle aux bornes de la série de LEDS lorsque celles-ci fonctionneront. C'est le cas avec celui que nous avons choisi ici, mais il faut respecter les valeurs mini et maxi de tension d'alimentation du circuit en question.

Pour cette lampe par exemple, nous avons choisi une batterie de 14,8 V et nous avons 3 LEDs en série avec chacune une tension de 3,7V quand elles sont alimentées à 1 ampère. Donc 14,8 V pour la batterie et 11,1 V pour la série de LEDs.

La batterie est composée de 4 éléments Li-ion, format 4/3 AA – 3.7V – 2500 mAh, montés en série. On a donc une batterie de 14.8V – 2500 mAh. Les batteries Li-ion ne présentent pas plus de risques que les autres en cas de noyade contrairement à ce qu'on peut entendre parfois (voir le site de Salvo pour plus d'informations). Toutefois, il est nécessaire de les protéger afin de :

  • limiter l'intensité délivrée (en cas de court circuit sur le montage par exemple),
  • éviter une décharge trop forte qui compromettrait la durée de vie les éléments,
  • éviter une surcharge qui ferait chauffer et brûler les batteries.

Certaines batteries li-ion ont une protection intégrée, c'est le cas par exemple des TR18650 de Trust Fire. D'autres n'en ont pas, et il est possible d'ajouter un circuit de protection aux bornes de la batterie, c'est ce qui a été fait pour la lampe présentée.

Protection de batterie: on en trouve aussi sur e-bay.

http://cgi.ebay.fr/14-4V-4-cells-discharge-control-pcb-5A_W0QQitemZ180174952756QQihZ008QQcategoryZ33707QQtcZphotoQQcmdZ
ViewItemQQ_trksidZp1742.m153.l1262

En pratique, le générateur de courant consomme et induit donc des pertes: il chauffe et on a donc intérêt à le fixer sur un radiateur. Nous avons testé cette lampe lors de plusieurs plongées et elle a dépassé les 2h30min d'autonomie. Toutefois nous pensons qu'il ne faut pas compter sur beaucoup plus. Si on veut privilégier l'autonomie, il faut alimenter les LEDS en 750mA, la puissance lumineuse est un peu plus faible mais reste très confortable pour un phare de secours.

Le chargeur doit être spécifique pour une batterie Li-ion. A titre d'exemple nous avons pris un chargeur, qui présente l'avantage de pouvoir charger 1 élément ou plusieurs en série (jusqu'à 4). Remarque : le chargeur protège aussi des surcharges.

Chargeur acheté sur ebay :

http://cgi.ebay.fr/Universal-Smart-Charger-4-Li-Ion-battery-Pack-3-7-14-8V_W0QQitemZ230255033662QQihZ013QQcategoryZ48618QQssPageName
ZWDVWQQrdZ1QQcmdZViewItem

Remarque : pour connecter l'ensemble du circuit électrique à la batterie, il est judicieux de choisir un connecteur compatible du chargeur Li-ion ou alors de re-câbler un connecteur compatible de la lampe… Exemple : les mini Tamiya utilisés en modélisme sont très pratiques et permettent un contact de bonne qualité.

http://www.conrad.fr/

4 – Le système de pilotage:

Le système de pilotage choisi est classique : il consiste à piloter un relais de puissance avec une ampoule ILS qui fait contact lorsqu'elle est soumise au champ magnétique d'un aimant.

Ce système est largement employé, il est utilisé par exemple par Fa & Mi. On trouve beaucoup de fabricants amateurs de lampes de plongée qui l'ont aussi adopté (pour des lampes halogène par exemple).

Nous ne développerons donc pas davantage cette partie, toutes les informations étant disponibles dans un autre article de ce site. L'aimant doit quand même être assez puissant et noyé dans de la résine époxy au sein du système permettant son déplacement (ici un collier de tube PVC).

L'ampoule ILS et le relais de 12V (ici utilisé à un peu plus que 12V sans problème) se trouvent dans n'importe quel magasin d'électronique ou de modélisme.

Remarque: on pourrait se demander s'il n'est pas possible d'utiliser un ILS comme simple interrupteur et ainsi supprimer le relais piloté. Certains ILS acceptent un courant maximum de 1 ampère, donc ça pourrait passer... Malgré tout pour des raisons de fiabilité et de longévité nous avons préféré utiliser un relais (fait pour des intensités supérieures à 1A), le risque de collage de l'ILS lorsqu'il est traversé par 1 ampère nous semblait trop important.

5 – Le radiateur et système de fixation des composants:

Les LEDS de puissance chauffent plus qu'on ne le croit, sans que ça affecte leur remarquable durée de vie, en comparaison d'une lampe halogène ou pire d'une lampe HID. Aussi nous avons collé les LEDS en étoile sur un support en aluminium, qui joue le rôle de radiateur et dissipe la chaleur grâce à ses ailettes (sans tour à métaux il est très difficile de faire cette pièce) …

Ce radiateur permet aussi d'intégrer les différents composants de régulation et de pilotage des LEDS :

  • Gorge pour ILS.
  • Gorge et perçage pour le passage des 2 câbles qui sont soudés sur les LEDS.
  • Fraisage (plat) de l'emplacement du régulateur.

Conclusion:

Ce document n'est que la synthèse d'un travail personnel, de notre maître Yoda Louis, aidé de quelques petits Padawans de notre groupe de plongeurs sous-terrains toulousains (PSTT). Il n'a pas prétention à être hégémonique sur la technologie des LEDS de puissance, qui évolue très vite, et avec ceci d'avantageux que jusqu'ici, il est possible de remplacer les LEDs « anciennes » par celles de nouvelle génération sans difficulté, elles ont les mêmes dimensions.

Il est nécessaire de se faire sa propre expérience et d'approcher la fabrication de son phare à LEDs de manière personnelle, en se posant des questions générales sans prendre au pied de la lettre les informations données ni le choix des composants: il est vivement conseillé d'aller explorer d'autres voies possibles et de partager les expériences faites… Les possibilités d'améliorations et d'optimisation sont certaines !

D'autres projets sont en cours : lampe à tête déportée de 7 LEDs, Mag Lite modifiée, etc... Nous proposerons de nouveaux articles au fil de l'avancée de ces projets. Le premier traitera de la fabrication d'une lampe HID de 24W dans une tête déportée achetée chez www.dev-pein.de (prévue à l'origine pour un dichroïque 50W).

 

 

 

 

Lampe terminée

 

 

Détail composants

 

 

 

 

 

 

 

 

 

 

 

 

 

 

 

Plan de cablage pour la lampe à 3 LEDS
Ubat > U leds - ex: Ubat = 14,8V et
Uleds = 11,1V

 

 

 

 

 

 

 

 

 

 

 

 

 

 

 

 

 

 

 

 

 

 

 

 

 

 

 

 

 

 

 

 

 

 

 

 

 

 

 

 

 

 

 

 

 

 

 

 

 

 

 

 

 

 

 

 

 

 

 

 

 

Bien entendu, si l'idée de réaliser un tel radiateur vous dit, il faut adapter ses dimensions à celles la lampe que vous avez choisie ou fabriquée.